| штат: | |
|---|---|
| Количество: | |
Электрический привод серии QT
QT Взрывозащищенный четвертьоборотный электрический привод с червячной передачей
Технические параметры и таблица
Модель | Максимальный выходной крутящий момент | 90°рабочий время60/50Гц | Максимальный размер отверстия | Мотор F-класса | Рейтинг ток (А) 60/50 Гц | Вращение маховика | Масса | |||
Один этап | Трехфазный | |||||||||
Нью-Мексико | S | мм | W | 10 В | 220В | 380В | 440В | N | Кг | |
КТ-010 | 100 | 18/22 | 20 | 20 | 1,10/0,95 | 0,55/0,54 | 0,3/0,3 | Н/Д | 10 | 7.5 |
КТ-020 | 200 | 21/25 | 22 | 40 | 1,67/1,67 | 0,89/0,85 | 0,31/0,31 | 0,30/0,31 | 11 | 17.3 |
КТ-030 | 300 | 26/31 | 35 | 60 | 1,85/1,86 | 0,92/0,92 | 0,35/0,35 | 0,34/0,34 | 13.5 | 22 |
КТ-050 | 500 | 26/31 | 35 | 90 | 3,60/3,62 | 1,55/1,58 | 0,59/0,59 | 0,58/0,58 | 13.5 | 23 |
КТ-080 | 800 | 31/37 | 45 | 120 | 4.10/4.10 | 2,15/2,20 | 0,85/0,85 | 0,79/0,79 | 16.5 | 29 |
КТ-100 | 1000 | 31/37 | 45 | 180 | 4.20/4.10 | 2,35/2,30 | 0,87/0,87 | 0,81/0,81 | 16.5 | 29 |
КТ-160 | 1600 | 93/112 | 60 | 180 | 4.10/4.10 | 2,15/2,20 | 0,85/0,85 | 0,79/0,79 | 49.5 | 75 |
КТ-200 | 2000 | 93/112 | 65 | 180 | 4.10/4.10 | 2,15/2,20 | 0,85/0,85 | 0,79/0,79 | 49.5 | 75 |
Стандартная спецификация
Оболочка | Уровень водонепроницаемости IP67, NEMA4 и 6 | |
Мощность двигателя | Стандарт: 220 В переменного тока, однофазный. Опционально: 110 В переменного тока. Однофазный, 380/440 В переменного токаТрехфазный, 50/60 Гц, ±10% 24 В постоянного тока/110 В постоянного тока/220 В постоянного тока | |
Мотор | Асинхронный двигатель с короткозамкнутым ротором | |
Концевой выключатель | SPDT, 250 В переменного тока, 10 А, размыкание/закрытие, каждый 1 SPDT, 250 В переменного тока, 10 А | |
Вспомогательный концевой выключатель | SPDT, 250 В переменного тока, 10 А, открытие/закрытие, каждый 1 SPDT, 250 В переменного тока, 10 А. | |
Моментный переключатель | SPDT, 250 В переменного тока, 10 A, открытие/закрытие, каждый1 SPDT, 250 В переменного тока, 10 A | QT-005/008-010Кроме QT-005/008-010 |
Гладить | 90°±10° | 0°~27°0°~27° Опционально |
Защита от опрокидывания/рабочая температура | Внутренняя защита от перегрева, открытие 115 ℃ ± 5 ℃/закрытие 97 ℃ ± 5 ℃. | |
Индикатор | Непрерывный индикатор положения | |
Ручное управление | Механизм расцепления, взаимодействовать с маховиком | |
Самоблокирующееся устройство | Обеспечить самоблокировку с помощью червяка и червячной передачи. | |
Механический предел | 2 штуки внешнего регулируемого болта | |
Обогреватель | 7–10 Вт (110/220 В переменного тока) | |
Вход кабелепровода | 2(шт)ПЭ3/4' | |
Температура окружающей среды | -20℃~+70℃ | |
Смазка | Смазка на алюминиевой основе (тип EP) | |
Материал | Сталь, алюминиевый сплав, алюминиевая бронза, поликарбонат. | |
Влажность окружающей среды | Без конденсацииМакс. 90 % относительной влажности 90 % относительной влажности | |
Антивибрационные характеристики | XYZ10g, 0,2–34 Гц, 30 минут | |
Внешнее покрытие | Сухой порошок, эпоксидный полиэстер, сильная антикоррозийная защита. функция | |
Особенность
Компактный и легкий промышленный антивибрационный/водонепроницаемый поворотный электропривод с высоким крутящим моментом на 90 градусов для шаровых кранов
1. Изысканный дизайн, отличная производительность, малый вес и большой выходной крутящий момент.
2. Внутренняя и внешняя часть крышки обрабатывается жестким кислородом, а для внешней обработки используется эпоксидная смола + порошковое напыление, которое обладает хорошими антисептическими свойствами.
3. Степень защиты изделия превышает IP67.
4. Размер соединения выходного конца соответствует национальному стандарту ISO5211.
5. Втулка соединительного вала может быть заменена, легко обрабатывается и устанавливается.
6. Конструкция двойных червячных колес имеет функцию самоблокировки и имеет внешний регулируемый механический ограничитель.
7. Режим механического/ручного управления можно легко изменить с помощью ручного хвостовика, а затем автоматически переключиться на электронное управление после включения питания.
8. Встроенный моментный переключатель и защита от перегрузки электрического привода.Кроме того, в него встроена термозащита для двойной защиты электрической машины.Постоянно указывайте положение клапана в большом окне для лучшего обзора.
9. Многофункциональный блок управления обеспечивает наилучшую производительность в соответствии с требованиями пользователей.Можно выбрать интеллектуальный блок управления.
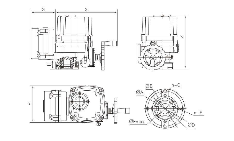
Рисунок
Модель | X | Y | Z | A | B | Северная Каролина | D | СВ | F | G | H |
КТ-010 | 270 | 161 | 234 | θ90 | θ70 | 4-М8 | θ50 | 4-М6 | θ20 | 137 | 35 |
КТ-020 | 346 | 240 | 270 | θ120 | θ102 | 4-М10 | θ70 | 4-М8 | θ22 | 137 | 40 |
КТ-030 | 358 | 240 | 290 | θ150 | θ125 | 4-М12 | θ102 | 4-М10 | θ35 | 137 | 45 |
КТ-050 | 358 | 240 | 290 | θ150 | θ125 | 4-М12 | θ102 | 4-М10 | θ35 | 137 | 45 |
КТ-080 | 390 | 260 | 322 | θ180 | θ140 | 4-М14 | θ125 | 4-М12 | θ45 | 137 | 55 |
КТ-100 | 390 | 260 | 322 | θ180 | θ140 | 4-М14 | θ125 | 4-М12 | θ45 | 137 | 55 |
КТ-160 | 390 | 260 | 491 | θ210 | θ165 | 4-М16 | θ140 | 4-М14 | θ55 | 137 | 65 |
КТ-200 | 390 | 260 | 491 | θ210 | θ165 | 4-М16 | θ140 | 4-М14 | θ55 | 137 | 65 |
Электрический привод серии QT
QT Взрывозащищенный четвертьоборотный электрический привод с червячной передачей
Технические параметры и таблица
Модель | Максимальный выходной крутящий момент | 90°рабочий время60/50Гц | Максимальный размер отверстия | Мотор F-класса | Рейтинг ток (А) 60/50 Гц | Вращение маховика | Масса | |||
Один этап | Трехфазный | |||||||||
Нью-Мексико | S | мм | W | 10 В | 220В | 380В | 440В | N | Кг | |
КТ-010 | 100 | 18/22 | 20 | 20 | 1,10/0,95 | 0,55/0,54 | 0,3/0,3 | Н/Д | 10 | 7.5 |
КТ-020 | 200 | 21/25 | 22 | 40 | 1,67/1,67 | 0,89/0,85 | 0,31/0,31 | 0,30/0,31 | 11 | 17.3 |
КТ-030 | 300 | 26/31 | 35 | 60 | 1,85/1,86 | 0,92/0,92 | 0,35/0,35 | 0,34/0,34 | 13.5 | 22 |
КТ-050 | 500 | 26/31 | 35 | 90 | 3,60/3,62 | 1,55/1,58 | 0,59/0,59 | 0,58/0,58 | 13.5 | 23 |
КТ-080 | 800 | 31/37 | 45 | 120 | 4.10/4.10 | 2,15/2,20 | 0,85/0,85 | 0,79/0,79 | 16.5 | 29 |
КТ-100 | 1000 | 31/37 | 45 | 180 | 4.20/4.10 | 2,35/2,30 | 0,87/0,87 | 0,81/0,81 | 16.5 | 29 |
КТ-160 | 1600 | 93/112 | 60 | 180 | 4.10/4.10 | 2,15/2,20 | 0,85/0,85 | 0,79/0,79 | 49.5 | 75 |
КТ-200 | 2000 | 93/112 | 65 | 180 | 4.10/4.10 | 2,15/2,20 | 0,85/0,85 | 0,79/0,79 | 49.5 | 75 |
Стандартная спецификация
Оболочка | Уровень водонепроницаемости IP67, NEMA4 и 6 | |
Мощность двигателя | Стандарт: 220 В переменного тока, однофазный. Опционально: 110 В переменного тока. Однофазный, 380/440 В переменного токаТрехфазный, 50/60 Гц, ±10% 24 В постоянного тока/110 В постоянного тока/220 В постоянного тока | |
Мотор | Асинхронный двигатель с короткозамкнутым ротором | |
Концевой выключатель | SPDT, 250 В переменного тока, 10 А, размыкание/закрытие, каждый 1 SPDT, 250 В переменного тока, 10 А | |
Вспомогательный концевой выключатель | SPDT, 250 В переменного тока, 10 А, открытие/закрытие, каждый 1 SPDT, 250 В переменного тока, 10 А. | |
Моментный переключатель | SPDT, 250 В переменного тока, 10 A, открытие/закрытие, каждый1 SPDT, 250 В переменного тока, 10 A | QT-005/008-010Кроме QT-005/008-010 |
Гладить | 90°±10° | 0°~27°0°~27° Опционально |
Защита от опрокидывания/рабочая температура | Внутренняя защита от перегрева, открытие 115 ℃ ± 5 ℃/закрытие 97 ℃ ± 5 ℃. | |
Индикатор | Непрерывный индикатор положения | |
Ручное управление | Механизм расцепления, взаимодействовать с маховиком | |
Самоблокирующееся устройство | Обеспечить самоблокировку с помощью червяка и червячной передачи. | |
Механический предел | 2 штуки внешнего регулируемого болта | |
Обогреватель | 7–10 Вт (110/220 В переменного тока) | |
Вход кабелепровода | 2(шт)ПЭ3/4' | |
Температура окружающей среды | -20℃~+70℃ | |
Смазка | Смазка на алюминиевой основе (тип EP) | |
Материал | Сталь, алюминиевый сплав, алюминиевая бронза, поликарбонат. | |
Влажность окружающей среды | Без конденсацииМакс. 90 % относительной влажности 90 % относительной влажности | |
Антивибрационные характеристики | XYZ10g, 0,2–34 Гц, 30 минут | |
Внешнее покрытие | Сухой порошок, эпоксидный полиэстер, сильная антикоррозийная защита. функция | |
Особенность
Компактный и легкий промышленный антивибрационный/водонепроницаемый поворотный электропривод с высоким крутящим моментом на 90 градусов для шаровых кранов
1. Изысканный дизайн, отличная производительность, малый вес и большой выходной крутящий момент.
2. Внутренняя и внешняя часть крышки обрабатывается жестким кислородом, а для внешней обработки используется эпоксидная смола + порошковое напыление, которое обладает хорошими антисептическими свойствами.
3. Степень защиты изделия превышает IP67.
4. Размер соединения выходного конца соответствует национальному стандарту ISO5211.
5. Втулка соединительного вала может быть заменена, легко обрабатывается и устанавливается.
6. Конструкция двойных червячных колес имеет функцию самоблокировки и имеет внешний регулируемый механический ограничитель.
7. Режим механического/ручного управления можно легко изменить с помощью ручного хвостовика, а затем автоматически переключиться на электронное управление после включения питания.
8. Встроенный моментный переключатель и защита от перегрузки электрического привода.Кроме того, в него встроена термозащита для двойной защиты электрической машины.Постоянно указывайте положение клапана в большом окне для лучшего обзора.
9. Многофункциональный блок управления обеспечивает наилучшую производительность в соответствии с требованиями пользователей.Можно выбрать интеллектуальный блок управления.
Рисунок
Модель | X | Y | Z | A | B | Северная Каролина | D | СВ | F | G | H |
КТ-010 | 270 | 161 | 234 | θ90 | θ70 | 4-М8 | θ50 | 4-М6 | θ20 | 137 | 35 |
КТ-020 | 346 | 240 | 270 | θ120 | θ102 | 4-М10 | θ70 | 4-М8 | θ22 | 137 | 40 |
КТ-030 | 358 | 240 | 290 | θ150 | θ125 | 4-М12 | θ102 | 4-М10 | θ35 | 137 | 45 |
КТ-050 | 358 | 240 | 290 | θ150 | θ125 | 4-М12 | θ102 | 4-М10 | θ35 | 137 | 45 |
КТ-080 | 390 | 260 | 322 | θ180 | θ140 | 4-М14 | θ125 | 4-М12 | θ45 | 137 | 55 |
КТ-100 | 390 | 260 | 322 | θ180 | θ140 | 4-М14 | θ125 | 4-М12 | θ45 | 137 | 55 |
КТ-160 | 390 | 260 | 491 | θ210 | θ165 | 4-М16 | θ140 | 4-М14 | θ55 | 137 | 65 |
КТ-200 | 390 | 260 | 491 | θ210 | θ165 | 4-М16 | θ140 | 4-М14 | θ55 | 137 | 65 |